.png)
- 產品簡介
- 產品性能
- 應用范圍
.png)

北京恒瑞宏晟機電設備有限公司是一家從事風機及工控產品銷售的企業(yè),主要提供通風散熱產品和工控系統(tǒng)配件,產品廣泛應用于通風、空調、制冷、供暖、電氣自動化、變頻器、軌道交通、HVAC(FFU/AHU)、空氣凈化、新能源汽車等多個行業(yè)。
| 庫存狀態(tài):現貨 |
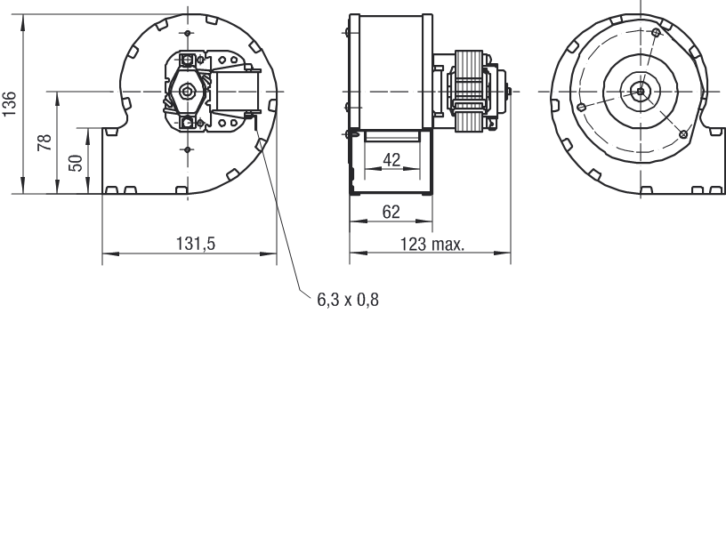
.png)
RL90-18/50風量:40m³/h 電壓:230v 電流:5.6A 功率:20W 轉速:2450r/min
RL90-18/56風量:40m³/h 電壓:230v 電流:5.6A 功率:20W 轉速:2450r/min
RL90-18/00風量:42m³/h 電壓:115v 電流:6.0A 功率:19.5W 轉速:2550r/min
RL90-18/06風量:42m³/h 電壓:115v 電流:6.0A 功率19.5W 轉速:2550r/min
RG90-18/50風量:54m³/h 電壓:230v 電流:5.8A 功率:22W 轉速:2200r/min
RG90-18/56風量:54m³/h 電壓:230v 電流:5.8A 功率: 22W 轉速:2200r/min
RG90-18/00風量:47m³/h 電壓:115v 電流:6.2A 功率:22W 轉速:1900r/min
RG90-18/06風量:47m³/h 電壓:115v 電流:6.2A 功率:22W 轉速:1900r/min
RG125-19/56風量:86m³/h 電壓:230v 電流:5.8A 功率:20W 轉速:2550r/min
RG125-19/06風量:94m³/h 電壓:115v 電流:6.0A 功率:19W 轉速:2750r/min
RG160-28/56S風量:202m³/h 電壓:230v 電流:6.6A 功率:47W 轉速:2750r/min
RG160-28/06S風量:223m³/h 電壓:115v 電流:6.9A 功率:50W 轉速:3050r/min
RER125-19/56風量:104m³/h 電壓:230v 電流:6.2A 功率:19W 轉速:2600r/min
RER125-19/06風量:115m³/h 電壓:115v 電流: 6.5A 功率:18W 轉速:2850r/min
RER160-28/56S風量:234m³/h 電壓:230v 電流:6.6A 功率:45W 轉速:2800r/min
RER160-28/06S風量:274m³/h 電壓:115v 電流:6.8A 功率:46W 轉速:3250r/min
如果您正在為選用那一款風機而煩惱,沒關系,聯系北京恒瑞宏晟技術人員,
我司能提供完善的選型服務供您參考,解決您的一切問題,買風機,來北京恒瑞宏晟
型號齊全,歡迎咨詢









